Фланцы ТИП 11 (воротниковые приварные)
Фланцы тип 11 — это воротниковые фланцы, привариваемые к трубе встык. Они применяются в трубопроводных системах, работающих под давлением, и обеспечивают высокую прочность и герметичность соединения.
Фланцы тип 11 широко используются в нефтегазовой, химической и энергетической промышленности благодаря своей надёжности и способности выдерживать высокие нагрузки.
Изготовление фланцев 11 типа регламентировано ГОСТ 33259-2015, который подробно описывает конструкцию, материалы, применение и прочие основные параметры фланцев не только данного типа, но также 01, 02, 03, 04 и 21 типов.
Что такое фланцы тип 11
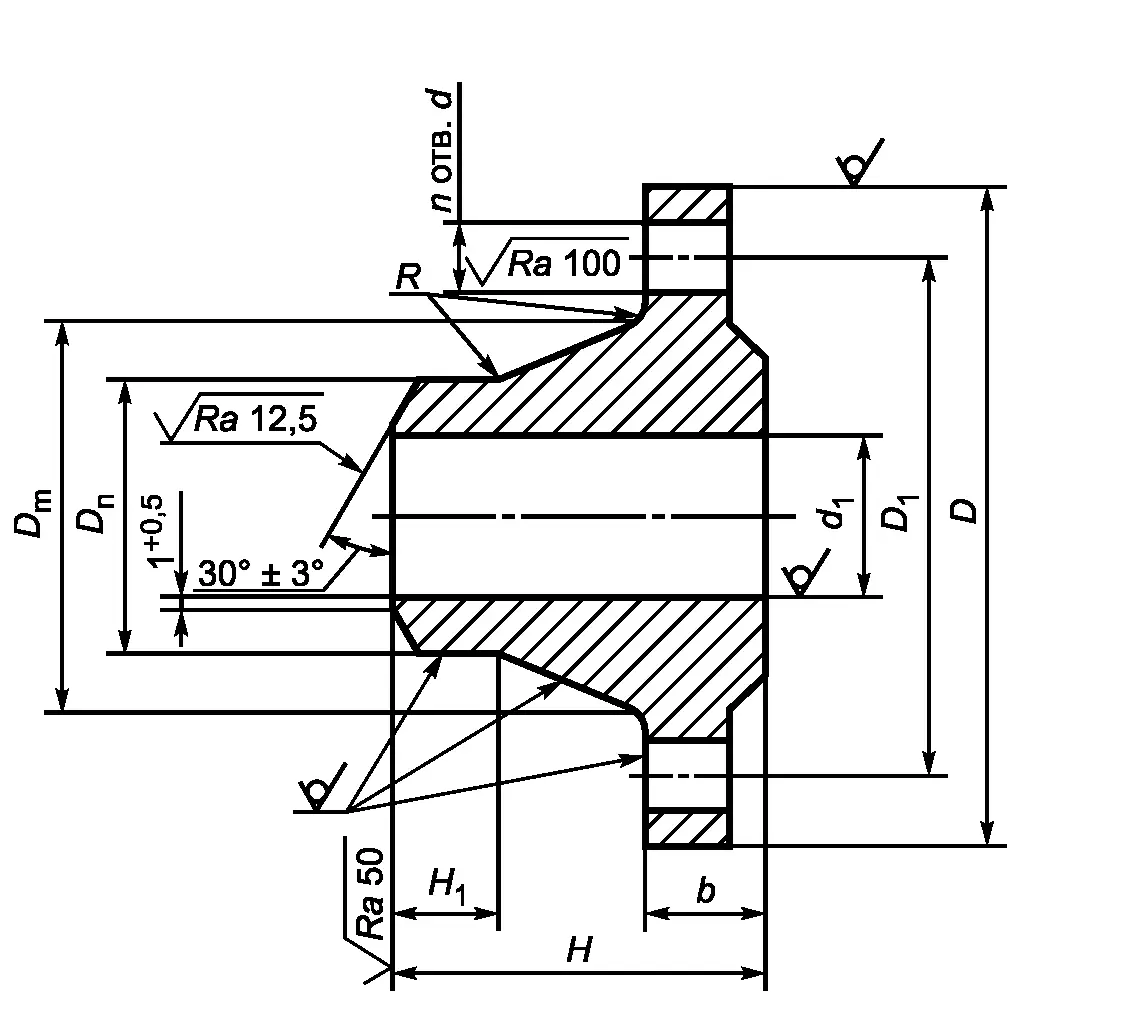
Фланец тип 11 — это приварной воротниковый фланец с коническим переходом от трубы к диску. Такая конструкция позволяет равномерно распределять нагрузки и снижает напряжения в зоне сварного соединения.
Основные особенности:
-
приварка встык к трубе
-
высокая прочность соединения
-
устойчивость к давлению и температуре
-
длительный срок эксплуатации
Фланцы тип 11 являются наиболее предпочтительными для ответственных трубопроводов.
Конструкция фланца

Фланец состоит из следующих элементов:
-
воротник (коническая часть)
-
фланцевая часть с отверстиями под болты
-
уплотнительная поверхность
-
отверстия под крепёж
Конструкция обеспечивает надёжную передачу нагрузок от трубопровода к соединению.
Размеры фланцев
Размеры фланцев тип 11 определяются:
-
номинальным диаметром DN
-
номинальным давлением PN
-
исполнением уплотнительной поверхности
Фланцы все размеры фланцев этого типа указаны в таблице 6 ГОСТ 33259.
Таблица типовых размеров
| DN | PN | D (мм) | k (мм) | n | Болты | Масса |
|---|---|---|---|---|---|---|
| 50 | 16 | 165 | 125 | 4 | М16 | ~3.1 кг |
| 100 | 16 | 220 | 180 | 8 | М16 | ~6.3 кг |
| 100 | 25 | 235 | 190 | 8 | М20 | ~7.5 кг |
| 150 | 16 | 285 | 240 | 8 | М20 | ~10.5 кг |
Точные параметры зависят от исполнения и уточняются при подборе.
Популярные размеры
- Фланец тип 11 DN50 PN16
- Фланец тип 11 DN100 PN16
- Фланец тип 11 DN100 PN25
- Фланец тип 11 DN150 PN16
Используемые материалы
Фланцы могут изготавливаться из различных сталей:
-
сталь 20 — стандартные условия
-
09Г2С — низкие температуры
-
12Х18Н10Т — коррозионные среды
-
10Х17Н13М2Т — агрессивные среды
-
13ХФА — повышенные нагрузки
Выбор материала зависит от условий эксплуатации.
Применение
Фланцы тип 11 применяются в:
-
магистральных трубопроводах
-
нефтегазовой отрасли
-
химической промышленности
-
энергетике
-
технологических установках
Они используются в системах с:
-
высоким давлением
-
температурными нагрузками
-
вибрациями
Производство фланцев тип 11
Производственный процесс включает:
-
изготовление заготовки
-
токарную обработку
-
сверление отверстий
-
термообработку
-
контроль качества
Особое внимание уделяется точности размеров и качеству поверхности.
Изготовление по чертежу
Возможно изготовление фланцев тип 11 по индивидуальным параметрам.
Это актуально для:
-
нестандартных трубопроводов
-
импортного оборудования
-
специальных проектов
Заказать фланцы тип 11
Компания предлагает:
-
производство фланцев по ГОСТ
-
изготовление по чертежам
-
широкий выбор материалов
-
контроль качества
Для заказа воспользуйтесь конфигуратором или формой заявки.
FAQ
Что означает тип 11?
Это воротниковый приварной фланец по ГОСТ 33259.
Чем отличается от плоского фланца?
Тип 11 приваривается встык и выдерживает большие нагрузки.
Где применяется?
В системах с высоким давлением и температурой.